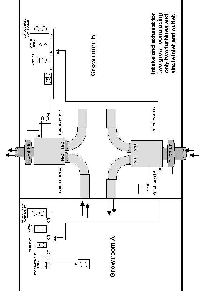
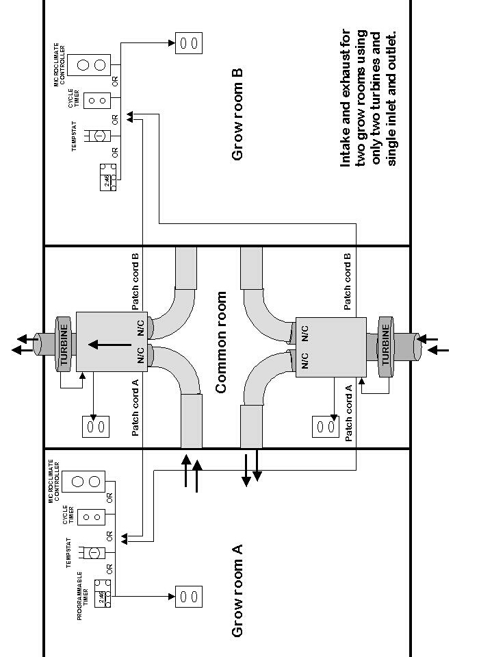
_______________________________________
_____
_____
|
|
|
+++++++++++++++++++++++++++++++++++++++++++++++++++++++++++++++++++++++++++++++++
_____
___
_____
_____
_________
_____
___
_____
_____
________
_____
____
_____
___
___